Angelica ♥

lunes, 12 de agosto de 2013

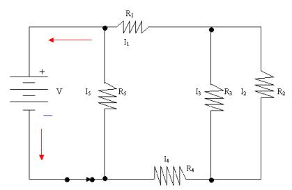
22° CIRCUITO MIXTO

CIRCUITO MIXTO

En este circuito hay componentes en serie y paralelo al mismo tiempo. Para simplificarlo, los componentes que están en serie se trabajan como un circuito serie y los que están en paralelo como un circuito en paralelo.



Publicado por Unknown en 12:57
Enviar por correo electrónicoEscribe un blogCompartir en XCompartir con FacebookCompartir en Pinterest

No hay comentarios:

Publicar un comentario

Entrada más reciente Entrada antigua Inicio
Suscribirse a: Enviar comentarios (Atom)

Archivo del blog

  • ►  2014 (51)
    • ►  noviembre (3)
    • ►  octubre (2)
    • ►  septiembre (6)
    • ►  agosto (7)
    • ►  julio (3)
    • ►  junio (2)
    • ►  mayo (11)
    • ►  abril (7)
    • ►  marzo (7)
    • ►  febrero (1)
    • ►  enero (2)
  • ▼  2013 (40)
    • ►  noviembre (4)
    • ►  octubre (7)
    • ►  septiembre (2)
    • ▼  agosto (10)
      • 27° TALLER DE REFORZAMIENTO
      • 26° HERRAMIENTAS DE TRABAJO
      • 25° REVISIÓN DEL DOCENTE
      • 24° LABORATORIO DE CIRCUITO MIXTO
      • 23° TALLER CIRCUITO SERIE, PARALELO Y MIXTO
      • 22° CIRCUITO MIXTO
      • 21° CIRCUITO SERIE Y PARALELO
      • 20° REVISIÓN DEL DOCENTE
      • 19° PLAN DE MEJORAMIENTO SEGUNDO PERIODO
      • 18° EVALUACIÓN TIPO IFCES
    • ►  junio (1)
    • ►  mayo (5)
    • ►  abril (4)
    • ►  marzo (1)
    • ►  febrero (6)

Datos personales

Unknown
Ver todo mi perfil
Tema Etéreo. Con la tecnología de Blogger.